| ◆ 产品名称:手摇脉冲发生器(MPG电子手轮)
◆ 产品型号:LGT系列
◆ 产品品牌:SumTak(日本)
◆ 产品说明:
手摇脉冲发生器Manual Pulse Generator(也称为电子手轮,MPG,手动脉冲发生器,手脉,脉波发生器,MPG等); 电子手轮适用各类CNC控制系统,依照以下型号不同及供给电压选择。 适用于教导式 CNC 机械工作原点设定、步进微调与中断插入等动作,另外在印刷机械上也广泛的使用电子手轮。
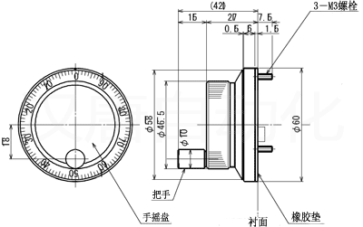
◆ 产品图片:

◆ 产品规格:


◆ 订购型号与电气说明:
| |
LGT001 |
LGT002 |
LGT003 |
|
脉冲输出 |
100 |
100 |
100 |
|
电压(VCC) |
4.5V-16V |
4.5V-16V |
5V±0.25V |
|
输出类型 |
电压 |
漏极开路 |
线性输出 |
|
输出电路 |

|

|

|
|
输出电流 |
≤35mA |
≤35mA |
±20mA |
|
响应频率 |
0 TO 5kHZ |
0 TO 5kHZ |
0 TO 5kHZ |
|
绝缘阻抗 |
≥20MΩ |
≥20MΩ |
≥20MΩ |
◆ 特点说明:
-
采用德国技术生产的编码器,金属码盘,刻度准确、精度高、质感佳、手感好;
-
直流 5V 或 12V 电源系统可选;
-
提供 25PPR 或 100PPR 脉波数输出;
-
多种输出接口型式 : 电压(单端)、差动二种输出可供选择, 配合各种应用;
-
支持多轴使用 ( 最多 11 轴 );
-
简易安装 , 兼容性高;
-
低成本解决方案; |